各市医疗保障局,局各处室、 单位:
现将《安徽省医疗保障基金监督管理举报线索处理实施细则 ( 试行)》 印发给你们,请结合实际贯彻落实。
安徽省医疗保障局
2021 年 3 月 23 日
安徽省医疗保障基金监督管理举报线索处理实施细则(试行)
第一章 总则
第一条 为规范医疗保障基金监督管理举报线索处理工作,确保及时、 有效处理举报线索,切实维护医疗保障基金安全,根据《中华人民共和国社会保险法》《医疗保障基金使用监督管理条例》《欺诈骗取医保基金行为举报奖励的实施办法》(试行)等规定,制定本实施细则。
第二条 本细则适用于全省医疗保障系统处理公民、 法人或者其他组织违法违规使用医疗保障基金的举报。
第三条 举报处理坚持依法依规、规范高效、属地管理、 安全保密原则。
第二章 受理渠道 、 范围
第四条 受理举报的渠道包括:来电、来访、来信(函)、网络以及上级交办或者相关部门移交的。
五名以上来访者共同提供举报线索的,应当推选一至二名代表。
第五条 涉及定点医疗机构及其工作人员的违法违规使用医保基金行为:
(一)分解住院、挂床住院;
(二)违反诊疗规范过度诊疗、 过度检查、 分解处方、超量开药、 重复开药或者提供其他不必要的医药服务;
(三)重复收费、超标准收费、 分解项目收费;
(四) 串换药品、 医用耗材、 诊疗项目和服务设施;
(五) 为参保人员利用其享受医疗保障待遇的机会转卖药品,接受返还现金、 实物或者获得其他非法利益提供便利;
(六)将不属于医疗保障基金支付范围的医药费用纳入医疗 保障基金结算;
(七)诱导、 协助他人冒名或者虚假就医、购药,提供虚假 证明材料,或者串通他人虚开费用单据;
(八)伪造、变造、隐匿、涂改、销毁医学文书、医学证明、 会计凭证、 电子信息等有关资料;
(九)虚构医药服务项目;
(十)其他违法违规和骗取医疗保障基金支出的行为。
第六条 涉及定点零售药店及其工作人员的违法违规使用 医保基金行为:
(一)诱导、 协助他人冒名或者虚假购药,提供虚假证明材 料,或者串通他人虚开费用单据;
(二)盗刷医疗保障身份凭证,为参保人员套取现金或购买 营养保健品、 化妆品、 生活用品等非医疗物品的;
(三)为参保人员串换药品、耗材、 物品等骗取医疗保障基 金的;
(四)为非定点医药机构提供刷卡记账服务的;
(五)定点零售药店及其工作人员的其他违法违规和欺诈骗 保行为。
第七条 涉及参保人员的违法违规使用医保基金行为:
(一)伪造虚假医疗文书和票据,骗取医疗保障基金的;
(二)将本人的医疗保障凭证转借他人就医或持他人医疗保 障凭证冒名就医的;
(三)非法使用医疗保障身份凭证,套取药品耗材等倒买倒 卖非法牟利的;
(四)参保人员虚假承诺,骗取医保基金的;
(五)涉及参保人员的其他违法违规和欺诈骗保行为。
第八条 涉及医疗保障经办机构工作人员的违法违规行为:
(一)伪造、变造、隐匿、涂改、销毁医学文书 、医学证明、 会计凭证、 电子信息等有关资料或者虚构医药服务等方式,骗取 医疗保障基金的;
(二)为不属于医疗保障范围的人员办理医疗保障待遇手续的;
(三)违反规定支付医疗保障费用的;
(四)涉及经办机构工作人员的其他违法违规和欺诈骗保行为。
第九条 不予受理的举报:
(一)举报事项不属于医疗保障部门职权范围的;
(二)没有提供举报具体线索的;
(三)举报人就同一事项重复举报的;
(四)对已经作出处理决定又没有提供新线索的;
(五)举报人提供的主要事实、 证据已由其他医疗保障部门 依法处理,或已由本机构通过举报以外的途径发现并依法处理的;
(六) 已经或者依法应当通过诉讼、 仲裁、 行政复议等法定 途径解决的;
(七) 匿名举报且没有提供证据材料的;
(八)被举报人主体灭失的;
(九)其他依法不应当受理的情形。
医疗保障部门经审核认为举报线索中部分事项属于受理范 围,部分事项不属于受理范围的, 可作部分受理,并书面告知举 报人。
对不属于受理范围的实名举报,应自接到举报后 5 个工作日 内告知举报人不予受理的原因,并做好记录。
第三章 登记
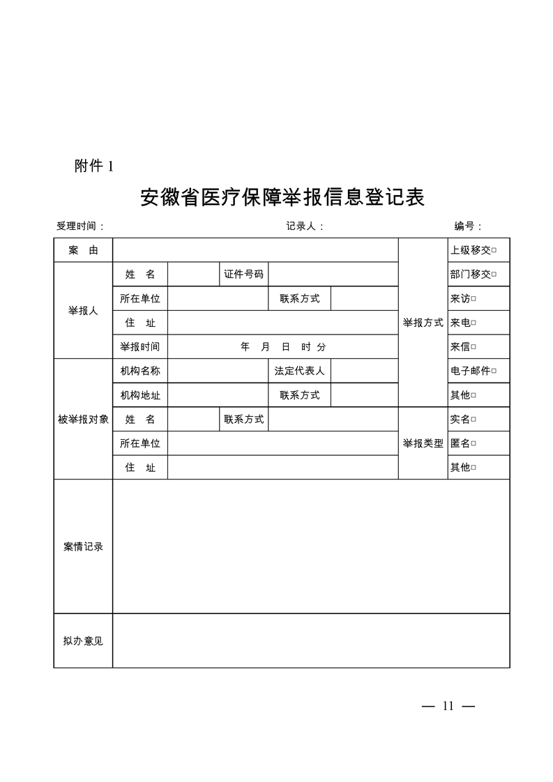
第十条 举报电话接听及接待来访工作人员要文明用语,认 真倾听,详细询问和记录有关情况,要求举报人提供客观真实的 举报信息、 相关材料及证据,包括举报对象的准确名称、 地址、 涉嫌违法违规的具体行为等。 填写《安徽省医疗保障举报信息登 记表》。
第十一条 举报电话接听及接待来访工作人员应当如实记 录举报信息,并依照《中华人民共和国政府信息公开条例》 等相 关规定处理,涉及商业秘密、个人隐私等公开会对第三方合法权 益造成损害的举报信息,原则上不得公开,并做好保密工作。提倡 实名举报。举报人不愿提供真实姓名、 身份、联系方式等个人信息 或者不愿意公开举报行为的,应当予以尊重,并注明为匿名举报。
第四章 受理 、 办理
第十二条 收到举报线索后应当及时进行审查,对属于医疗 保障部门管辖范围的应予以受理,并在接到举报后 15 日内提出是 否立案调查的意见,并书面告知举报人。
属于媒体关注、 社会焦点、 重大紧急的举报线索, 医疗保障 部门应于接收举报线索 24 小时内召开会议讨论处理意见,并及时 向单位主要负责人报告。
第十三条 省医疗保障部门负责指导全省医保基金监管举 报线索处理工作,县级以上医疗保障部门负责本行政区域内发生 的违法违规行为的举报处理工作。
上级医疗保障部门认为有必要的, 可以处理下级医疗保障部 门接收的举报线索;下级医疗保障部门认为需要由上级医疗保障 部门处理的举报线索, 可以报请上级医疗保障部门决定。
省医疗保障部门对以下举报线索直接组织开展检查:
( 一) 国家医保局领导或省领导批示、 省纪委监委交办,并 要求上报查处结果(情况)或跟踪督办的举报线索;
( 二)省属定点医疗机构违法违规使用基本医保基金,且涉 及金额巨大的举报线索,线索重要且具体的;
( 三)涉及市级医疗保障部门、 医保经办机构主要负责人包 庇、纵容定点医药机构违法违规行为,涉及金额巨大的举报线索, 线索重要且具体的;
( 四) 可能具有区域性、 社会性影响,性质恶劣且需多地区 组织协同开展检查的举报线索;
( 五)新闻媒体已曝光,且产生较大社会影响的举报线索;
( 六)省医疗保障部门认为应当直接组织开展检查的其他举 报线索。
省医疗保障部门直接检查的举报线索,根据属地管理原则, 将检查发现的问题自检查结束之日起 10 个工作日内移交市级医 疗保障部门按规定处理。
第十四条 各级医疗保障部门收到属于下级医疗保障部门 管辖范围内的举报线索,应当在 3 个工作日内填写《举报线索移 交转办单》,转至有管辖权的下级医疗保障部门核查。对多次向国 家医疗保障局和省医疗保障部门举报的、 省委省政府交办的,以 及举报人对县( 市、 区) 医疗保障部门前期处理结果不满意的重 复举报, 由省医疗保障部门责成市医疗保障部门直接查处,原则 上不得向所辖县(市、 区) 医疗保障部门分办、 转办。
市、县医疗保障部门接受之日起 30 个工作日内办理完毕。情 况复杂的,经单位负责人批准后, 可以延长至 3 个月内办结,并 向省医疗保障部门上报处理结果。
第十五条 举报线索涉及到纪检监察、 公安、 卫健、 市场监 管等部门职责的, 可联合相关部门共同办理,也可移交相关部门 办理,并跟踪办理进度, 了解办结情况。
第十六条 相关市、 县医疗保障部门对移交的举报线索管辖 权发生争议, 向上级医疗保障部门提出不同意见的, 上级部门应 于 5 个工作日内予以答复。
第十七条 异地就医联网直接结算的举报线索,应当移交就 医地市级医疗保障部门办理。
第五章 反馈 、 归档
第十八条 医疗保障部门应当在举报办结后 15 个工作日内, 依据“谁核查、 谁回复”的原则告知举报人核查结果。 告知方式可 采用电话或者书面形式(包括数据电文、 短信、 邮件等形式)进 行, 电话告知的,应当进行相关记录 。
对匿名举报,不受本规定的期限限制, 也不履行本办法规定 的相关告知程序。
第十九条 对于受理的举报,均应建立案卷,并且记载举报 时间、 渠道、 详情、 受理、 办结情况等信息。 不予受理举报要记 录不予受理的原因等相关情况,单独建档。
医疗保障部门应在案件办结后 5 个工作日内,依据相关档案 管理规定,对移交资料、直接查处的资料、反馈结果等立卷归档, 留档备查。
第六章 相关要求
第二十条 医疗保障部门查处举报的问题,不能就事论事, 要举一反三,放大排查。举报线索移交后,应当持续跟踪督办。 在规定时限内未办结并上报的, 上级医疗保障部门应当要求其说 明理由,报告进展情况。
第二十一条 医疗保障部门应当每月汇总移交举报线索办 理情况并向局领导报告,并每月通过曝光台发布举报线索查处情 况。 医疗保障部门应建立举报线索处理工作年度报告制度,各市 医疗保障部门应当于每年 4 月 1 日前, 向省医疗保障部门报告上 一年度举报线索处理工作情况。 如有重大事项,应当及时向省医 疗保障部门报告。
第二十二条 医疗保障部门应当加强对本行政区域内举报 线索信息的统计、 分析、 应用,定期公布举报统计分析报告。
第二十三条 对经查实符合举报奖励条件的举报线索, 医疗 保障部门应当按规定及时足额兑现奖励。
第二十四条 医疗保障部门相关工作人员应当依法保护举 报人、举报对象的合法权益,严格遵守以下工作纪律:
(一)与举报线索内容或者举报人、举报对象有直接利害关系的,应当回避;
(二)举报线索登记、 受理、 查处、 移交等各个环节,应当 依照有关法律法规严格保密,建立健全工作责任制,不得私自摘 抄、 复制、 扣押、销毁举报材料;
(三)严禁泄露举报人的相关信息,严禁将举报人信息透露 给举报对象及与举报案件查处无关的人员,严禁与无关人员谈论 举报案件情况。
对违反上述工作纪律的,严肃追究责任,违反相关法律构成 犯罪的,依法追究法律责任。
第七章 附则
第二十五条 举报人通过举报方式进行咨询、政府信息公开申 请、行政复议申请、信访、纪检监察检举控告等,不适用本细则。
第二十六条 涉及医疗保障领域其他违法违规问题的举报,相 关法律、行政法规和国务院文件有专门规定的,按相关规定处理。
第二十七条 本细则由安徽省医疗保障局负责解释。
第二十八条 本细则自印发之日起执行。
附件:
1.安徽省医疗保障举报信息登记表
2.举报线索移交转办单




2022-12-28 阅读量:315
查看更多