各县市区人力资源和社会保障局、财政局,市属各开发区劳动人事局、财政局:
现将山东省人力资源和社会保障厅、省财政厅《关于失业保险支持参保职工提升职业技能有关问题的通知》(鲁人社规〔2017〕15号)(以下简称《通知》)转发给你们,并结合我市实际,提出如下意见,请一并贯彻执行。
一、加强组织领导
失业保险基金用于参保职工技能提升补贴,有利于引导职工提高职业技能水平和职业转换能力,从源头上减少失业、稳定就业。政策的贯彻落实和基金的正确使用,关系参保职工的切身利益和失业保险基金的安全,各县市区(市属开发区)人力资源社会保障部门、财政部门,要高度重视,将其作为失业保险预防失业、稳定就业的重要举措,精心组织,狠抓落实。各经办机构要认真审核,严格把关,确保享受补贴的企业职工完全符合《通知》规定的申领条件、补贴标准、申领程序。
二、提高工作实效
以“规范、安全、便捷”为原则,将申请、审核、公示、发放等工作纳入信息化管理,简化申报材料,优化审核流程,强化信息共享,完善服务标准,创新服务模式,进一步提高经办机构的管理水平和服务质量。
各县市区(市属开发区)要结合实际,广泛宣传申领条件、申请办法、受理部门、办理时限。使符合条件的参保职工了解政策内容,熟悉办理程序,知晓办事场所,更方便享受政策。
三、申报渠道及资金划拨
市直企业符合规定的职工向市人力资源管理服务中心提出申请;其他企业符合规定的职工向所在县市区(市属开发区)人力资源管理服务中心提出申请。
各县市区(市属开发区)失业保险经办机构应及时发放补贴资金。根据失业保险市级统筹相关规定,所需资金从县市区本级失业保险周转金内支付,次月由市级失业保险经办机构一并结算划拨。
附件:1.《关于失业保险支持参保职工提升职业技能有关问题的通知》(鲁人社规〔2017〕15号)
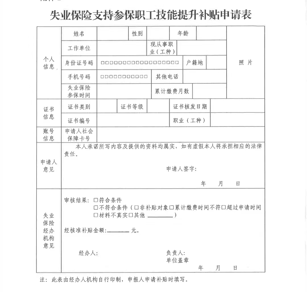
2.失业保险支持参保职工技能提升补贴申请表
潍坊市人力资源和社会保障局
潍坊市财政局
2017年7月21日
附件1
山东省人力资源和社会保障厅 山东省财政厅 关于失业保险支持参保职工提升职业技能有关问题的通知
鲁人社规〔 2017 〕15 号
各市人力资源社会保障局、财政局,省社会保险事业局:
为贯彻落实《人力资源社会保障部财政部关于失业保险支持参保职工提升职业技能有关问题的通知》(人社部发〔2017〕40号),提升参加失业保险职工的职业技能,发挥失业保险促进就业作用,结合我省实际,现就有关问题通知如下:
一、技能提升补贴申领条件
同时符合以下条件的企业职工,可申领技能提升补贴:
(一)依法参加失业保险,累计缴纳失业保险费36个月(含36个月)以上。
(二)自 2017 年 1 月 1 日 起取得初级(五级)、中级(四级)、高级(三级)职业资格证书或职业技能等级证书。
二、技能提升补贴标准
职业资格证书或职业技能等级证书应为列入国家职业资格目录清单或职业技能等级目录内的证书。技能提升补贴标准根据不同等级职业资格证书或职业技能等级证书确定。职工取得初级(五级)、中级(四级)和高级(三级)职业资格证书或职业技能等级证书的,补贴标准分别为1000元、1500元和2000元。
同一职业(工种)同一等级只能申请并享受一次技能提升补贴,不同等级可分别申请享受技能提升补贴。不同职业(工种)可按等级分别申请享受技能提升补贴。省内参加失业保险,非本省考取的证书,符合条件的可申请享受技能提升补贴。
省人力资源社会保障厅、省财政厅将根据人力资源社会保障部、财政部相关规定及全省失业保险基金运行情况、职业技能培训、鉴定收费标准等因素,适时调整补贴标准。
三、技能提升补贴申领程序
职工应在职业资格证书或职业技能等级证书核发之日起12个月内,向本人失业保险参保地失业保险经办机构提出申请,失业保险经办机构利用信息化手段,对申请条件进行核查比对,对审核通过、公示无异议的申领人员,直接将补贴资金发放到其社会保障卡中。具体程序如下:
(一)申请。符合申领条件企业职工可以通过省、市人力资源社会保障部门门户网站,登录省人力资源社会保障厅统一开发的“技能提升补贴申报”功能模块,登记提报姓名、身份证号码、证书编号、证书名称、鉴定级别、发证日期、社会保障卡号、手机号码、失业保险参保地等基本信息,进行网络在线申请。
(二)审核。各级失业保险经办机构7个工作日内,审核申领人员的条件资格,对审核通过的人员,形成“技能提升补贴人员公示表”;对不符合申领条件的,在系统中注明审核不通过原因,供申请人查询。
(三)公示。省本级、各市失业保险经办机构分别通过省、市人力资源社会保障部门门户网站公示“技能提升补贴人员公示表”,公示期为5个工作日。公示结束后,对公示无异议符合申领条件的人员,形成“技能提升补贴人员发放表”。
(四)发放。失业保险经办机构根据“技能提升补贴人员发放表”,于次月失业保险金发放时,将补贴资金发放到申请人的社会保障卡中。对尚未办理社会保障卡的申领人员,应先行办理社会保障卡,再进行补贴申领。
四、技能提升补贴资金管理
失业保险基金会计核算中设立技能提升补贴科目,所支付的资金从失业保险基金技能提升补贴科目中列支。
各市要将技能提升补贴支出纳入失业保险基金预算管理,规范运作,切实保证基金有效使用和安全运行。
省人力资源社会保障厅、省财政厅发挥省级调剂金的作用,对基金支付能力相对较弱的市给予重点调剂,确保符合条件的参保职工按规定享受政策。
五、工作要求
(一)加强组织领导。各市人力资源社会保障部门、财政部门要高度重视,将其作为失业保险预防失业、稳定就业的重要举措,精心组织、狠抓落实。山东省社会保险事业局负责省本级参保企业职工的技能提升补贴申请、审核、公示和发放工作。
(二)实现网上经办管理服务。各市要按照本通知规定的经办程序及统一要求,依托现有信息系统,实现技能提升补贴业务的网上经办管理服务。省人力资源社会保障厅将在山东省公共就业人才服务信息系统(以下简称“省就业人才系统”)互联网服务平台中开发“技能提升补贴申报”功能模块,实现外网申请、内网审核。通过省就业人才系统办理失业保险金发放的市,可以继续使用该系统办理补贴相关业务;使用其他系统办理失业保险金发放的市,要对发放系统进行升级改造,增加“技能提升补贴”功能,实现与省就业人才系统对接,确保在系统内经办补贴相关业务。各级经办机构要将技能提升补贴办理情况反馈至省就业人才系统,申请人可通过互联网查询相关情况;有条件的可通过微信、短信等方式告知申请人技能提升补贴业务办理情况。各市要加快整合落实补贴政策涉及的数据资源,实现职业资格证书联网查询系统数据、参保系统数据、国家职业(技能等级)资格证书目录清单及社会保障卡系统数据的信息共享,为技能提升补贴申请、审核、公示、发放及监督提供数据支持。8月底前,人力资源社会保障部门完成系统开发,实现网上经办。未实现网上经办前,各级经办机构要在服务大厅人工办理职工申请业务,并在实现网上经办后,及时将职工相关信息录入系统。
(三)强化监督管理。各级人力资源社会保障部门和职业技能鉴定机构要严格鉴定标准,严把证书发放质量。失业保险经办机构要建立与职业技能鉴定机构的信息共享、沟通协调机制,通过信息比对有效甄别证书的真实性,严防冒领、骗取补贴。要制定补贴资金的申请、审核、公示、发放、监督等制度,严格财务管理和资金监管,防范风险。要畅通投诉举报渠道,发挥社会监督作用。对违法违规行为,按规定追究相关责任。各市人力资源社会保障局和省社会保险事业局要建立特殊情况下不能实施网上经办的应急处理机制,通过经办服务大厅,实施人工办理,实现一次办结服务。
(四)加大宣传力度。各级人力资源社会保障部门要开展多渠道、多形式的宣传活动,向社会、参保企业及职工宣传政策、解读政策,使参保职工了解政策内容,熟悉办理程序,更方便、更快捷地享受政策,发挥好失业保险预防失业、促进就业的作用。
各地在政策执行中遇到的重大问题应及时向省人力资源社会保障厅、省财政厅报告。省人力资源社会保障厅、省财政厅适时组织开展政策绩效评估,并根据人力资源社会保障部、财政部部署要求,调整完善政策。
本《通知》自 2017年8月1日起实施,有效期至 2022年7月31日 。
山东省人力资源和社会保障厅
山东省财政厅
2017年6月30日
(此件主动公开)
附件2

潍坊-失业保险
潍坊市失业保险政策合集