各分中心、市中心各处室:
为贯彻落实《关于完善住房公积金阶段性支持政策的通知》(嘉公积金委办〔2022〕7号),现制定《住房公积金阶段性支持政策的操作细则》印发给你们,请遵照执行。
嘉兴市住房公积金管理服务中心
2022年6月9日
住房公积金阶段性支持政策操作细则
一、 单位申请缓缴住房公积金或降低缴存比例
(一)申请对象
受新冠肺炎疫情影响的缴存企业无法按时足额缴存住房公积金的,经企业职工代表大会或工会讨论通过后,可以向嘉兴市公积金管理服务中心申请缓缴或降比。
(二)缓缴期限
企业申请缓缴或降比执行至2022年12月。
(三)申请流程
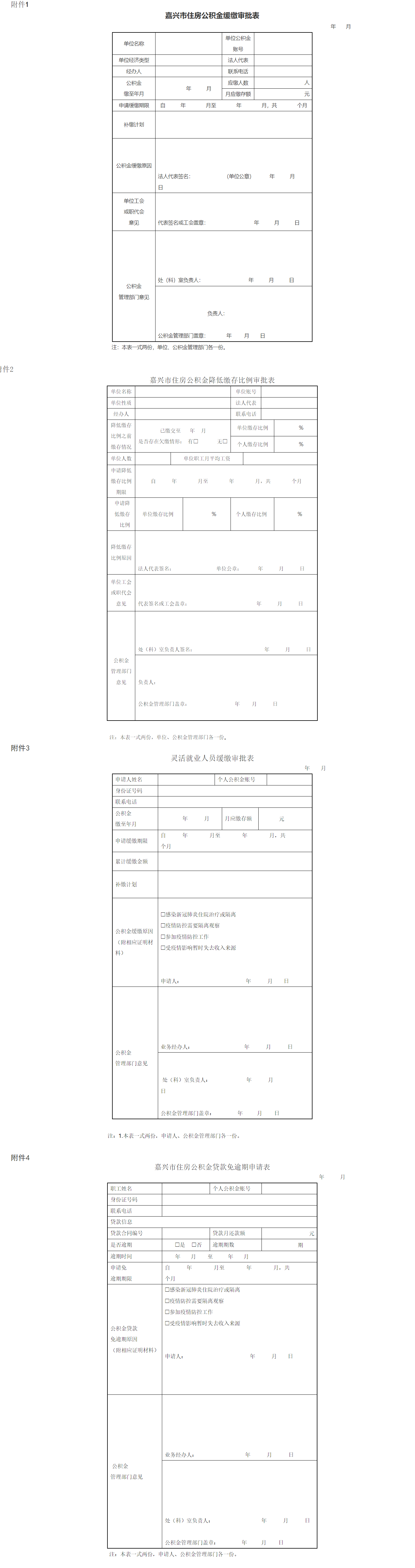
企业申请缓缴或降比应当与职工和工会充分协商,经职工代表大会或工会讨论通过后,可通过浙江省政务服务网、嘉兴公积金网上办事大厅等线上方式向缴存地公积金管理服务机构(以下简称“公积金中心”)提交《嘉兴市住房公积金缓缴审批表》(见附件1)或《嘉兴市住房公积金降低缴存比例审批表》(见附件2)、职工代表大会或工会讨论通过的决议,经公积金中心审核通过后实行缓缴或降比。职工代表大会或工会讨论通过的决议,企业应当留存备查。
缓缴或降比期满后应及时足额补缴或恢复原缴存比例。
(四)办理时限
公积金中心收到申请后,办理要件齐全的,审核时限不超过3个工作日,并将审核结果通知申请人。
(五)相关业务处理
公积金中心对缓缴期内的企业不作欠缴处理。
职工因企业在缓缴期间,未能及时缴存公积金的,缓缴期间缴存时间可视同连续正常缴存,不影响职工正常提取和申请住房公积金贷款。
缓缴期间,有职工需办理账户转移、封存或销户提取的,企业应当先为该职工办理补缴,再为该职工办理账户转移、封存或再通知该职工办理销户提取。
缓缴企业的缴存方式为委托扣款的,公积金中心暂停企业的委托扣款。待企业缓缴期限届满后,公积金中心再恢复企业的委托扣款。
缓缴期间,企业经济效益好转的,可以自缓缴月份起恢复缴存住房公积金(按正常汇缴操作)。
(六)恢复缴存和补缴
缓缴期限届满后,企业应当恢复正常缴存,同时一次性或分期及时足额补缴,其中分期补缴的,应在恢复正常缴存后6个月内完成。
二、灵活就业人员申请缓缴住房公积金
(一)申请对象
自愿缴存住房公积金的灵活就业人员(含个人缴存托管对象,下同),因受新冠肺炎疫情影响,无法按时足额缴存住房公积金的,可以向公积金中心申请缓缴。
(二)缓缴期限
灵活就业人员缓缴期限执行至2022年12月。
(三)申请流程
线下申请:
灵活就业人员可通过各公积金服务网点办理缓缴业务,携带本人身份证,填写《嘉兴市住房公积金灵活就业人员缓缴审批表》(见附件3)及相应证明材料即可办理。
线上申请:
灵活就业人员可通过各公积金服务网点办理缓缴业务,携带本人身份证,填写《嘉兴市住房公积金灵活就业人员缓缴审批表》(见附件3)及相应证明材料即可办理。
(1)电子邮件方式:借款人可在嘉兴公积金网站下载《嘉兴市住房公积金灵活就业人员缓缴审批表》(见附件3)按要求填写后,将身份证明材料、申请表及证明材料通过电子邮件发送至指定邮箱,申请缓缴。
(2)浙里办APP:后续浙江省政务服务网开通灵活就业人员申请缓缴功能后,可直接通过线上申请。
(四)办理时限
公积金中心收到申请后,办理要件齐全的,审核时限不超过3个工作日,并将审核结果通知申请人。
(五)相关业务办理
缓缴期间,灵活就业人员的住房公积金缴存时间连续计算,不影响正常提取和申请住房公积金贷款。
(六)恢复缴存和补缴
缓缴期限届满后,灵活就业人员应当恢复正常缴存,同时足额补缴。
未恢复正常缴存及补缴的,2023年1月起的住房公积金缴存时间不作连续计算。超时限未进行补缴的,账户将作封存处理。缓缴期间,灵活就业人员经济收益好转的,也可以提前恢复正常缴存。
三、 贷款职工申请不作逾期处理
(一)申请范围及条件
未结清住房公积金贷款的借款人,因感染新冠肺炎住院治疗或隔离、疫情防控需要隔离观察、参加疫情防控工作以及受疫情影响暂时失去收入来源等,2022年3月(含)前住房公积金贷款处于正常还款状态,但2022年4月至12月住房公积金贷款不能正常归还的,可以申请不作逾期处理。
注:贷款职工所在单位已经申请缓缴的,缓缴期间未能正常归还的,自动不作逾期处理,不需要个人申请。
(二)申请流程
线下申请:
借款人可携带本人身份证及相应证明材料,前往各公积金服务网点,填写《嘉兴市住房公积金贷款免逾期申请表》(见附件4),并提供给相应证明材料,即可申请免逾期业务。
之前已申请4月至6月不作逾期处理的,如需继续申请,按照上述方式办理。
线上申请:
(1)电子邮件方式:借款人可在嘉兴公积金网站下载《嘉兴市住房公积金贷款免逾期申请表》(见附件4)按要求填写后,将身份证明材料、申请表及证明材料通过电子邮箱发送至指定邮箱,申请未正常还款不作逾期处理。
(2)浙里办APP:后续浙江省政务服务网开通借款人不作逾期处理申请功能后,可直接通过线上申请。
(三)审核
公积金中心收到申请后,办理要件齐全的,审核时限不超过3个工作日,并将审核结果通知借款人。
(四)相关业务处理
审核通过后,借款人申请期间住房公积金贷款不能正常归还的,不作逾期处理,即不计罚息,不作为逾期记录报送征信部门,已报送的予以调整。不作逾期处理期间,住房公积金贷款的正常委托扣款还款、已办理的提取还贷业务不受影响。
不作逾期处理期间届满后,借款人应当归还全部应还未还的住房公积金贷款本息,并按照借款合同约定正常履行还款义务;如仍有逾期的,按逾期规定处理。
市公积金中心及分中心受理申请电子邮箱:
市公积金中心: 3227535708@qq.com
嘉善分中心:zghqy@163.com
平湖分中心:phgjjywk@163.com
海盐分中心:haiyangongjijin@163.com
海宁分中心:hngjj@163.com
桐乡分中心:txsgjj@163.com

嘉兴-住房公积金
嘉兴市住房公积金政策合集